
一、用途及特點
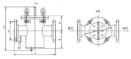
PMSGC系列永磁濕式管道除鐵器是一種以永磁材料產生強大磁場吸引力的節能型除鐵設備。主要適用于液體原料中除去混入的鐵磁性物質,磁場強度高,除盡率高,經除雜后的原料品位、純度明顯上升,含雜量顯著下降,是液態濕式除雜的優良設備;適用于紙漿、陶瓷、化工原料、礦物等各類液態原料的除雜。 PMSGC型永磁濕式管道除鐵器采用的磁源是流行的具有高場強、高矯頑力的第三代稀土材料NdFeB,使用中可確保產品質量。該產品操作簡單,使用方便,整體結構可靠耐用。
二、使用
PMSGC型永磁濕式管道除鐵器可直接連接到液態原料輸送管道上使用;當需要清除鐵磁性物質時,打開除雜門,抽出磁棒進行清除,然后再放入除雜口,關緊除雜門即可。
注意事項 1、 儀表、磁卡、手機、手表、鐵件切勿靠近除鐵器。 2、 嚴禁摔打、碰撞、擠壓、撞擊除鐵器。 3、 定期檢查;及時排污和清除吸附在磁棒上的鐵磁性物質。